
01 Solar Ingots
Prüfung von Ingots
Optimieren Sie Ihren Fertigungsprozess
Aus dem Siliziumrohmaterial züchtet man kristalline Ingots, die in Siliziumblöcke zersägt werden. Vernünftigerweise sollten Fehlerteile schnellstmöglich aussortiert und gar nicht erst weiter prozessiert werden. Unsere ORION Blockprüfsysteme bieten Lösungen vor dem Polieren und dem Wafersägen:
- Das ORION NIR Prüfsystem liefert Schnittvorschläge für den Wafersägeprozess. Durch das Erkennen von Materialeinschlüssen können wichtige Schlussfolgerungen über den Prozess gezogen werden.
- Die ORION 3D Geometrievermessung liefert Vorschläge an das Schleifsystem, um den Schleifaufwand zu optimieren.
Die automatische Prüfung von Siliziumsäulen ist sowohl für einen voll automatisierten Produktionsablauf, als auch für eine manuelle Bedienung als stand-alone System (z.B. für Forschungszwecke) geeignet.
ORION NIR Inspektion
- Erkennung kleinster Strukturen von SiN/SiC Einschlüssen
- Kameraauflösung von bis zu 18 µm
- Erstellung von Schnittvorschlägen
- 3D Darstellung der Einschlüsse von einzelnen Blöcken und kompletter Ingots
- Wartungsfreie NIR Beleuchtung
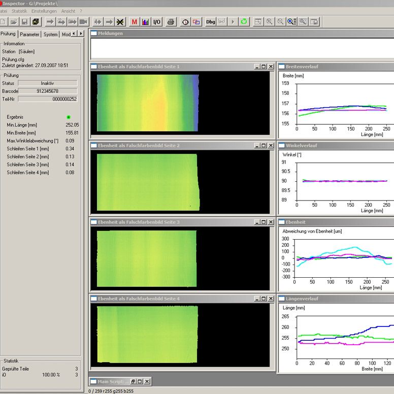
ORION 3D Geometrievermessung
- Präzise Längen-, Breiten-, und Höhenvermessung
- Bestimmung der Winkligkeit, Geradheit, Ebenheit und Schräge
- Exakte Vermessung der Fasen
- Erkennung von Absplitterungen, Rillen oder anderen Fehlern
- Erstellung von Schleifvorschlägen
Ihr Ansprechpartner für die Prüfung von Ingots
 
 Andreas Eckl 
 +49 9131 61082-0
   Kontakt 

 
  
  
 